September, 2004

WIRING

January 13, 2008


Home Beginnings Clean Up Repair & Paint

Chassis Assembly Top Tonneau Links


SUBASSEMBLIES

Engine-Trans Seats Susp-Brakes Dash
Side Curtains Windshield Heater Wiring

Trips Repairs

WIRING

The wiring photos are not too complete.  The few unique views of wiring that I did manage to take have already been presented, although I'm repeating them below for completeness.    See below for additional comments.



Click Here to Scroll Through Images in More Detail



WIRING

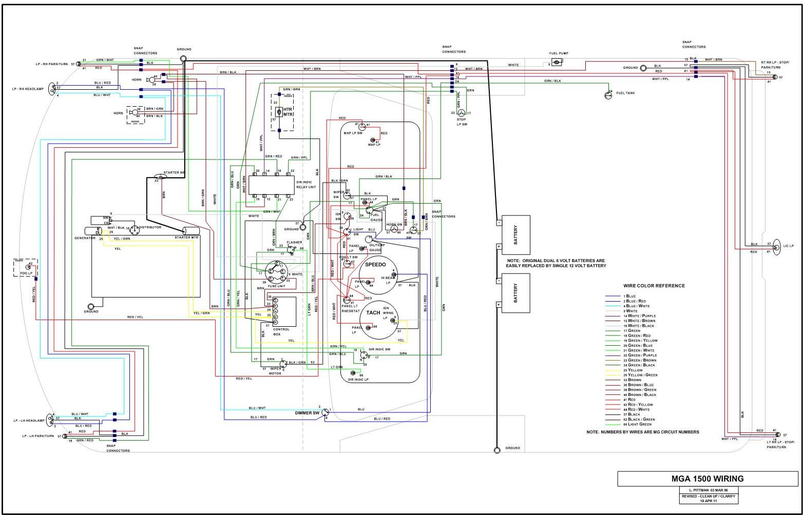
I spent many of my working years dealing with automotive wiring although my main interest was the systems side of things and how things worked.  As a result, when I began the restoration, I looked for a complete view of the wiring that showed all the components and how they connected along with the wire colors, fuses, etc.  

Barney Gaylord's site was an excellent source.  He does a good job of explaining the wire harness routing.  He also explains the specific operation of many parts.  Here's the beginning of the pages he devotes to wire harness routing:

To help me understand the operation of the car, I created a wiring diagram of the complete car (even though I'd seen links on ebay to a wiring diagram).  A link to to the diagram I created is presented below.  Since it's just a jpg file, you'll have to detatch it and blow it up to see the details.  Remember, too, that I did this for my car meaning it's for a 1500 only and shows it in the original positive ground set-up.  If you need a 1600 , twin cam, etc., refer to Barney's site for differences.

Following is a list of the wiring harnesses used in the MGA:

  • Cable - Battery to Starter Solenoid
  • Cable - Starter Solenoid to Starter Motor
  • Cable - Battery to sheet metal ground
  • Wiring Harness - Rear lamps
  • Wiring Harness - Front to Rear
  • Wiring Harness - Rt Frt Lamps
  • Wiring Harness - Lt Frt Lamps
  • Wiring Harness - Partial Dash
  • Wiring Harness - Engine Cmpt & Partial Dash


MGA 1500 Wiring
MGA 1500 Wiring

Questions? Click here to contact me: Larry.